ZETTON (1931)

Official brochure of ZETTON apparatus (1931)
Official brochure of ZETTON apparatus (1931)

ZETTON was the first sound film system for theaters which had a proper product name of Klangfilm. Though UNITON was the earlier product name of Klangfilm at around 1930, the name was used only for the optical recording system and the optical head (sound film pickup equipment). There was no UNITON amplifier or no UNITON loudspeaker. Siemens & Halske or AEG was used as the brand name of product components for theatres at the age of UNITON exept the optical head. Optics such as lenses of the optical heads of Klangfilm were made by Ernst Leitz.

System components of ZETTON apparatus (1931)
System components of ZETTON apparatus (1931)

Zetton-Apparatur i.e. ZETTON apparatus was consisted of ZETTON optical head, amplifier, loudspeaker and a DC power supply unit for the optical head. The power supply unit was listed on the brochure as '4. Gleichrichter'. There was no text of ZETTON on these components. Only a type number such as 32603 was written on the name plate with a serial production number. EURODYN components after WW2 were also have no text of EURODYN. This theory had been kept until the end of Klangfilm. ZETTON apparatus was installed in small and middle theaters up to 800 seats until 1933.

ZETTON Optical Head


ZETTON optical head (sound film pickup equipment, 1931)
ZETTON optical head (sound film pickup equipment, 1931)

The name of ZETTON was originated in the name of the optical head. The optical head was listed with a name of Z-TON in an old document. Z-TON was possibly changed to ZETTON when the total apparatus was produced.

[ref.] F. Fischer H. Lichte, Tonfilm Aufnahme und Wiedergabe nach dem Klangfilm-Verfahren (System Klangfim-Tobis), S. Hirzel, 1931

ZETTON Amplifier



Zetton amplifier (type 32603, 1932)
Zetton amplifier (type 32603, 1932)

ZETTON amplifier (type 32603, 1932) without the front cover
ZETTON amplifier (type 32603, 1932) without the front cover

ZETTON amplifiers had 5 variations: 32600, 32601, 32603, 32604 and 32605. The driver stage of the circuit consisted of two REN904 tubes and one transformer. The final stage was RE604 push-pull and the maximum output power was around 3 W except 32605. 32605 was a RE604 parallel single-ended amplifier having an additional final stage of RE134 single ended for a control monitor. At the age of ZETTON, push-pull circuits were relatively rare and single ended circuits were normally used in Germany. The next models of Klangfilm amplifiers such as early models of EUROPA JUNIOR from 1933 had a final stage of RE604 parallel single-ended as same as 32605.

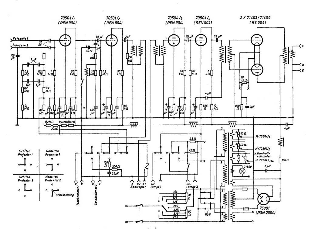
Circuit diagram of ZETTON amplifier (type 32603, 1932)
Circuit diagram of ZETTON amplifier (type 32603, 1932)

Almost all vacuum tubes used in Klangfilm amplifiers before WW2 were OEM from Telefunken wich had been established at 1903 by a joint investment of Siemens & Halske and AEG just same as Klangfilm G. M. B. H. These OEM tubes had type number of Klangfilm such as 71409 (= RE604). An early version of such OEM final stage tubes have a large AEG logo and a special type number started from 'K' character like K604 as shown in the following photo.

AEG K604 vacuum tubes (Klangfilm version of Telefunken RE604) used at the final stage of Zetton amps
AEG K604 vacuum tubes (Klangfilm version of Telefunken RE604) used at the final stage of Zetton amps

ZETTON Loudspeaker



Though the loudspeaker shown in the following photo is known as 'ZETTON MEGATON' loudspeaker, but it is estimated as a normal ZETTON loudspeaker in comparison with the photo in the official brochure of ZETTON apparatus because of the same dimension.

Type 42006 and 44006 loudspeaker drivers are famous as ZETTON loudspeaker, but both the drivers are not the original ZETTON loudspeaker. There is only a possibility that 42006 or 44006 was used as a replacement driver of a later version of ZETTON apparatus.

The type number of the original driver of ZETTON loudspeaker is 42004. 42004 seems to be a large variation of Rice-Kellogg driver. Actually some ZETTON amplifiers exist and the detailed circuit diagrams are available today. Instead almost no document is available on ZETTON loudspeaker.

Rear view of ZETTON Loudspeaker (1931)
Rear view of ZETTON Loudspeaker (1931)

--------------------------------
(Perhaps year numbers described in the articles contain some errors)

運営者情報・お問い合わせ

有限会社キャリコ 〒399-4117 長野県駒ヶ根市赤穂497-634 TEL 0265-81-5707
道具商 長野県公安委員会許可第481250500003号

オーディオの歴史とクラングフィルム

クラングフィルムの歴史と機器⇒
・始まりから書くオーディオの歴史 ⇒

KLANGFILM History (English) ⇒

DSDのダウンロード販売

 新忠篤氏の復刻によるDSD音楽ファイル「ダイレクト・トランスファー」のダウンロード販売を開始しました。最近は「ハイレゾ」という用語が流行りですが、広がりや艶やかさといった表面的な快感を求める方向に流れているように思われます。それとは正反対の圧倒的な実在感のある歴史的録音を、なるべく多くの人に聴いていただこうと、サーバーなどを間借りしてコストを抑え、さらに販売元のグッディーズさんに原価低減をお願いして1000円(税別)という低価格にしました。 ダウンロードサイト ⇒